介绍番:
我們每個月會請專欄作家高原為我們撰寫專文,介紹與黑膠唱片、鐳射光盤及音向器材有關的資訊。我們希望能夠為初學者提供入門的資訊;亦希望與資深的朋友交換心得。部份的訊息你有機會看過,但絕對有很多你未知道的材料。
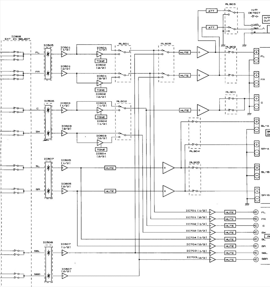
環繞聲擴音機改為擴音機之三 – Dolby Digital 5.1 Receiver
上期我們己將Denon 的 AVR-4800 (北美型號)/AVC-A10SE (亞洲型號) 由Dolby Digital/DTS五聲道AV環繞擴音機改為立體聲擴音機。除去了所有的數位輸入、環繞聲處理器、視頻輸入部份及調諧器(視乎型號) ;這部Denon與一部純立體聲擴音機無異。不過我們並不會在這個階段停下來,我們要將它進一步優化,進一步提升它的音效。我們由它的輸入開始。

Denon AVR4800模擬輸入部份